24小时服务热线:0523-84328880
简要描述:
第三代熔融尿素泵是单级单吸悬臂式离心泵。适用于化肥厂输送融熔尿素液用,也可用于输送不含悬浮颗粒物的其他腐蚀性液体。介质的温度允许-20℃~180℃,泵是水平轴向吸入,径向顶端吐出,泵前侧有保温夹套,双重保夹可允0.59MPa,170℃的蒸汽保温。用户可根据被输送介质的腐蚀性能程度选用不同材料,型号和不同流量扬程可调控。
符合ISO2858/GB/T5656设计标准
流量范围: 1.6~460m³/h
扬程范围: 5-132m
设计压力:可达2.5MPa
适用温度:-40~180℃
可输送各类清洁或含有颗粒的、中性或有腐蚀性的、需保温或伴热的介质。主要用于化石油工业、化肥、熔融尿素、液体硫磺、罐车卸货、有机物输送工程等。

电话
微信客服
微信扫一扫
Copyright © 2024 All Rights Reserved 江苏飞跃机泵集团有限公司版权所有 备案号: 苏ICP备2025178322号-1 网站建设:泥狗子网络
结构和性能
适用范围
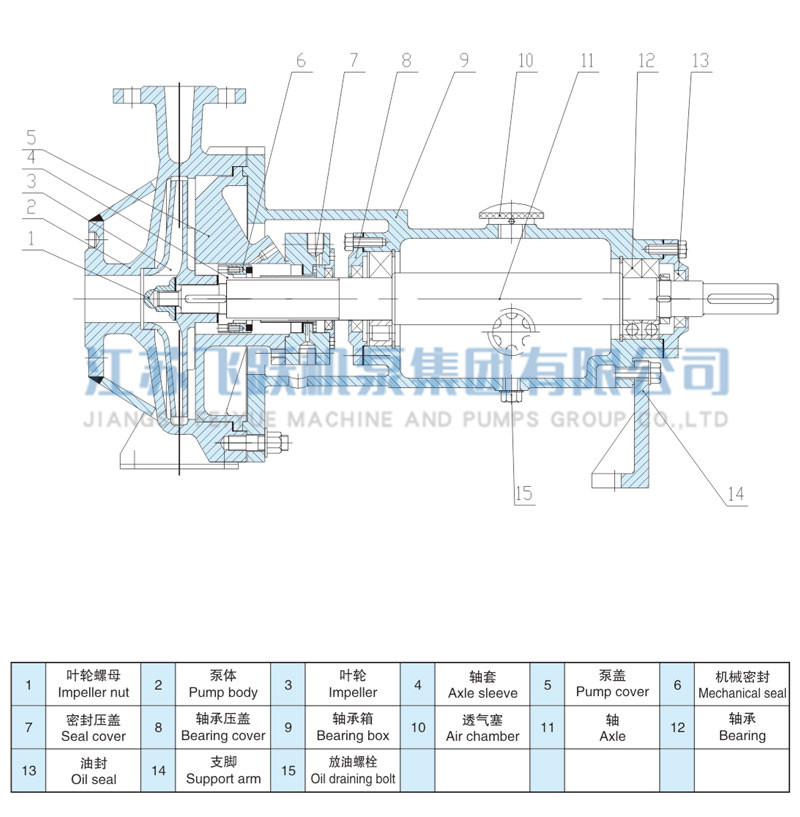
结构简图